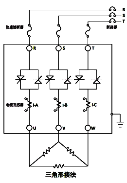
電力調整器在冶煉、加熱、燈光調整、烤箱、注塑機等領域,有著非常廣泛的運用。使用電力調整器可以快速高效的調整功率大小。

從目前的實現技術手段上看,電力功率調整器控制負載有兩種不同的方式,移相控制方式和過零控制方式。移相控制方式通過改變導通角控制負載功率。過零控制方式在電源的過零點處進行通斷控制,通過改變占空比控制負載的功率。

1、移相控制方式
移相控制方式是改變晶閘管導通角的方法。與過零控制相比,是連續(xù)的控制,可控制變壓器的一次側。同時可根據負載特性選擇反饋方式,單其輸出波形的畸變會對電網造成干擾,可能影響某些電阻設備的正常運行。

輸出狀態(tài):輸出穩(wěn)定性好,電流表不存在抖動
適用范圍:電爐,紅外線烤箱,溫度變化快速靈敏設備
2、定周期過零控制方式(PWM過零)
定周期過零控制方式是在一個固定周期內,通過調整通斷的占空比來控制負載的平均功率。由于在電源過零點進行通斷,以全波為單位,無半波成分,因此不會產生高頻干擾,可達最高功率因素,故非常省電。

3、變周期過零控制方式(CYCLE周波過零)
變周期過零控制方式也是在電源的過零點進行通斷控制。與PWM方式相比,沒有固定的控制周期,而是盡可能縮短控制周期,并在控制周期內根據輸出百分比均勻分別周波。同樣以全波為單位,無半波成分,可達最高功率因素,同樣也省電。不產生諧波干擾,單輸出時電流表有抖動狀態(tài)。

輸出狀態(tài):分配式周波控制,電流表抖動,無諧波干擾
適用范圍:電爐、工業(yè)烤箱、溫度控制設備
與電力調整器配套的核心儀表是溫控器,溫控器的控制效果是溫度控制過程能否滿足工況要求的關鍵,到溫控器產品頁面深入了解這種產品你會收獲更多(點擊圖片)
